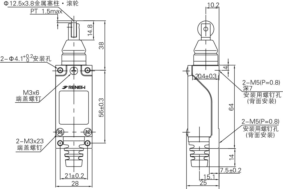
1、結構緊湊、體積約為普通行程開關的1/3

2、全開啟接線結構,使布線作業更加方便
一拆下端蓋,端子部位完全暴露,省去了將手指插入孔中接線的麻煩。產品雖小但接線空間卻很大,端子是呈階梯狀設置的,能簡單進行接線操作。將電線直接用螺釘擰緊或使用U型或圓形壓接端子進行接線。

3、可定制鍍金觸點型
◎內置的開關采用了接觸性能優良的觸點和橫桿動作的接觸方式,而且經計算機進行模擬運動解析,確保動作的可靠性。尤其是可為客戶定制觸點鍍金設計型,使開關更適合低電平、小振動的電路。
4、防塵、防水、耐油結構
◎機芯與罩殼采用橡膠密封墊圈,軟線引出部分采用橡膠尾塞(軟性密封)結構。
◎所有機型的傳動部分都有橡膠套與O形圈進行密封。
請注意:請勿在水中、油中或經常淋到水、
油的地方使用。
5、已通過cCC認證
◎工廠通用設備:工程機械、傳送機械、裝配線、注塑機、機床設備等。
| 觸點規格 | 觸點排列 | 雙電路雙斷型(1a1b) | |
| 接觸電阻(初始值) | 15mΩ以下(在6至8V電壓,額定電流下) | ||
| 觸點材料 | 銀合金觸點(微小負載的情況下可定制鍍金觸點型) | ||
| 電氣性能 | 絕緣電阻(初始值 | 100MΩ以上(在DC500V絕緣電阻時測得) | |
| 耐電壓性能 | 非連接端子之間(初始值):1.000V 50/60Hz 1分鐘 無電壓金屬件與各端子之間,接地與各端子之間:2000V 50/60Hz 1分鐘 | ||
| 機械性能 | 耐沖擊性 | 自由狀態下 | 98m/s2(10G)以下 |
| 滿負荷狀態下 | 294m/s2(30G)以下 | ||
| 耐振動能力 | 雙振幅1.5mm 10~55Hz | ||
| 壽命 | 機械壽命 | 1.000萬次以上(通斷頻率120次/分鐘) | |
| 電氣壽命(阻性負載) | 30萬次以上(額定負載)、電磁接觸器FC-100(AC200V)負載:500萬次以上 | ||
| 使用條件 | 環境溫度/環境濕度 | -20℃ ~+60℃/95%RH以下(+5~20℃左右) | |
| 最大通斷頻率 | 120次/分鐘 | ||
| 項目 | 內容 |
| 額定絕緣耐壓(Ui) | 250VAC |
| 額定耐沖擊電壓(Uimp) | 2.5Kv |
| 換向電壓 | 2.5Kv |
| 額定發熱電流(Ithe) | 5A |
| 限制短路電流 | 100A |
| 短路保護器 | 10A保險絲 |
| 防護等級 | lP64 |
| 污染等級 | 3 |
| 負載 額定控制電壓 | 阻性負載 | 感性負載 |
| AC125V | 5A | 3A |
| AC250V | 5A | 2A |
| DC125V | 0.4A | 0.1A |
| 防護結構 | RL8微型限位開關 | |
| IEC標準 | Jls | |
| lP60 | 防塵型 | o |
| IP64 | 防濺型 | o |
| — | 抗油型 | o |

| 項目 | 特性 |
| 動作壓力(OF)最大(N{gf } ) | 8.83{ 900 } |
| 復位力(RF)最小(N{gf}) | 1.47 { 150} |
| 預行程(PT) 最大(mm) | 1.5 |
| 差程(MD) 最大(mm) | 0.7 |
| 超程(OT) 最小(mm) | 4 |
| 總行程(TT)(mm) | 5.5 |
